KM - HM Tipi Gevşemez Sabitleme Emniyet Somunu

Gevşemeyen Somunlar

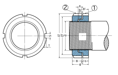
Standart KM-HM tipi somunların iki parçadan oluşan asla gevşemeyen dizaynıdır. Rulmanlarda, kaplinlerde, dönen her türlü mekanik-elektrik ekipmanlarda emniyet somunu görevini yapar.Asla gevşemez. Sabitleme Somunu gevşemeye neden olabilecek titreşimin, darbenin, şok hareketlerin veya çalışmadan dolayı oluşabilecek gevşemeler için mutlaka kullanılmalıdır. GEVŞEMEYİ NASIL ÖNLER Somunun bir tanesi dış bükey, diğeri iç bükey işlenmiştir. Önce dışbükey işlemiş somun,sonra içbükey işlenmiş somun sıkılır. Dış bükey somun gevşemeye giderken eksantriklik ve iç bükey işlenmiş açıdan dolayı üst somunu kitler,sıkıştırır. Somun gevşemeye başladığında tekrar sıkmaya gider. Gevşeme böylece önlenmiş olur. Gevşeme olasılığı asla yoktur ve emniyet açısından ideal bir dizayndır. TEST NAS3350-3354 ve DIN65151 göre titreşim,darbe testleri yapılmıştır.Test değerleri bu standartlardaki gevşemezlik değerlerinin çok üstündedir. KULLANMA YERLERİ *Rulman,Fan, Kaplin ve buna benzer dönen ekipmanlarda emniyet somunu olarak *Mekanik ve Elektirik ekipmanlarda kullanılması gereken ve gevşeme ihtimali olan ekipmanların tamamında kullanılır. AVANTAJLARI *Anti-gevşeme etkisi nedeniyle gevşemeyi tamamen önlemesi. *Emniyetli bir çalışma ortamı yaratır. *Kolay montaj ve demontaj. *Üretim kayıpları,arızalar,malzeme giderleri,işci kazalanmalarını kesinlikle önler. SOMUN ÖMRÜ *Ömrü sonsuzdur. İstenildiği kadar kullanılabilir. ÖLÇÜLER Standart imalat DIN981-1993  göre yapılmaktadır. *Çap olarak M10-M250 dahil *Diş hatve ölçüleri verilecektir. *Sol diş istenirse belirtilecektir. ÖZEL İMALAT *Dış çap 6 köşeli anahtar ağızlı veya başka bir şekilde istenirse imalatı yapılacaktır. *DIN981 dışında dışın da projeli özel imalatlar. MALZEME *Alaşımlı çelik ve paslanmazdır. *Malzeme seçimi,kullanım yeri,alıcı isteğine göre belirlenecek ve teklif edilecektir. *Standart olarak malzeme kalitesi Ç1040 dır.,