
Hard Lock nut-Sıkıştırma somunu civatalı bağlantılarda vibrasyon , darbe,şok hareketlerin veya nedeni ne olursa olsun civata-somun gevşemelerine kesin çözümdür.Bu nedenle mutlaka kullanılmalıdır.
Sıkıştırma Somunu her türlü cıvata bağlantılarında rahatça kullanılır.

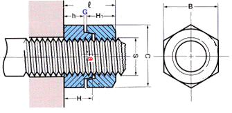
Dış bükey ve iç bükey işlenerek somun arasındaki boşluk değerleri ,somun gevşemeye giderken dikey oluşan P3 kuvveti ve aynı anda oluşan karşıt P1 ve P2 kuvvetlerin oluşmasına neden olur.
Buda somunu 3 değişik kilitleme kombinasyonu sayesinde güvenli bir şekilde sabitlemiş olur ve gevşemeyi tamamen önlemiş olur.
Sıkıştırma somunları defalarca kullanılabilir asla kilitleme kabiliyetini azaltmaz.
Sıkıştırma somunu Amerikan NAS 3350-NAS 3354(Ulusal Uzay Standardı)ve DIN 65151 titreşim ve darbe ve testleri yapılmıştır. Test değerleri bu standartlardaki çözülmezlik değerlerinin çok üzerindedir. Bu nedenle gevşemezlik bağlantı elamanları ile değerleri asla kıyaslanamaz.
Somun ömrü sonsuzdur, İstenildiği kadar kullanılır.
Somunların sıkça çıkarılıp takılması, somunlarda veya cıvata dişlerinde bir aşınmaya yol açmaz
Standart olarak ana ölçüler DIN934 göredir.
Bu standartın dışında istenen somun standartlarının tamamı yapılmaktadır.
*Standart Metrik, isteğe göre inch ve istenilen diş ölçüsüne göre.
*8,10,12 kalite çelik.
*AISI303,304,316,400 Paslanmaz çelikler.
*İstenen malzemeye göre.
*M6 dan-M250 +
*İstenen özel standarda ve çapa göre imalat.
*Anti-gevşeme etkisi nedeniyle gevşemeyi tamamen önlemesi.
*Gevşemenin neden olduğu arızalar, işçilik,üretim kayıpları ve malzeme kayıplarını önler.
*Standart imalat nedeniyle kullanım ve montajı kolaydır.
*Kullanıcının somun maliyetini azaltır.
*Kullanıcının isteğine göre ne garantisi isterse.
Vibrasyonun,darbenin,şok hareketlerin neden olduğu gevşeme ve emniyet açısından her türlü MAKİNA ve ELEKTİRİK ekipmanlarının cıvata bağlantılarında kullanılmalıdır.Kullanma yerleri neredeyse sınırsızdır.
*Demiryolları,Demiryolu araçları,Demiryolları makasları ve sinyalizasyon sistemleri
*Alt Yapı sistemleri ve Elektirik bağlantıları.
*Gemi yapımında
*Çelik konstrüksiyonlarda
*Madencilik sektöründe.
*Her türlü iş makinelerinde.
*Demir Çelik Sektörü Fabrikalarında.
*Şeker Fabrikalarında.
*Çimento Fabrikalarında
*Kırıcılarda,degirmenlerde,elekler,besleyicilerde
*Cam sanayinde.
*Seyyar ve Köprülü vinçlerde, vinç ray yollarında.
Daha birçok fabrika ve sektör sayılabilir.
Genelde:





